我们专注于卡盘的设计、制造和销售,用十几年的专业精神,让进口卡盘连续多年在国内的销售量排名第一位!
此处可以填写有关于我司最新动态的简介,可以跟随内容更新手动更换,也可以写一段可以长期放置的语句。
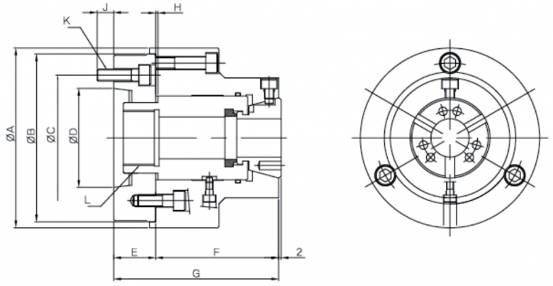
特征 1·涨套是3片橡胶粘接的,并夹紧外径
2·涨套的破损率低
3·使用寿命很长。可以获得高精密度的同心度
涨套更换方便