我们专注于卡盘的设计、制造和销售,用十几年的专业精神,让进口卡盘连续多年在国内的销售量排名第一位!
此处可以填写有关于我司最新动态的简介,可以跟随内容更新手动更换,也可以写一段可以长期放置的语句。
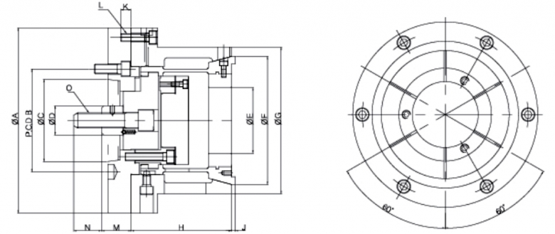
特征 1·工件精加工和研磨工序及加紧外径
2·后拉夹紧工件,,因此对平行度要求较高时使用
3·比三爪形式卡盘的加工更薄的工件时,不易变形