我们专注于卡盘的设计、制造和销售,用十几年的专业精神,让进口卡盘连续多年在国内的销售量排名第一位!
此处可以填写有关于我司最新动态的简介,可以跟随内容更新手动更换,也可以写一段可以长期放置的语句。
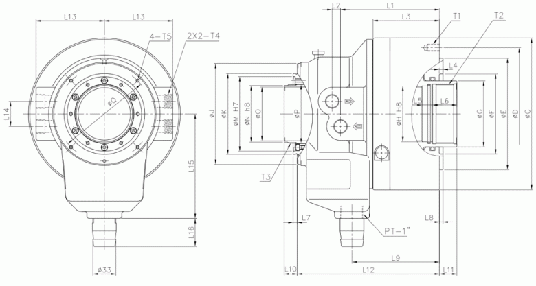
特征:• 保障安全 : 带有单向阀,当断电时,压力仍可保持一段时间,因此确保安全性能好、精度高:此气缸与YGH型气缸结构相同,因此确保其优越的性能和质量,且附件和连接部件具有兼容性。