我们专注于卡盘的设计、制造和销售,用十几年的专业精神,让进口卡盘连续多年在国内的销售量排名第一位!
此处可以填写有关于我司最新动态的简介,可以跟随内容更新手动更换,也可以写一段可以长期放置的语句。
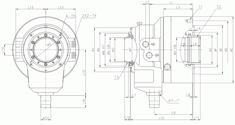
特征• 超大通孔 : 此气缸具有比同等气缸大的通孔,因此使用范围更加广泛,如棒料输送机进行加工。• 实现兼容性 : 实现YAH型油缸与连接部的兼容性。