我们专注于卡盘的设计、制造和销售,用十几年的专业精神,让进口卡盘连续多年在国内的销售量排名第一位!
此处可以填写有关于我司最新动态的简介,可以跟随内容更新手动更换,也可以写一段可以长期放置的语句。
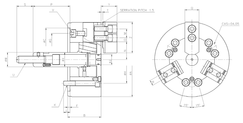
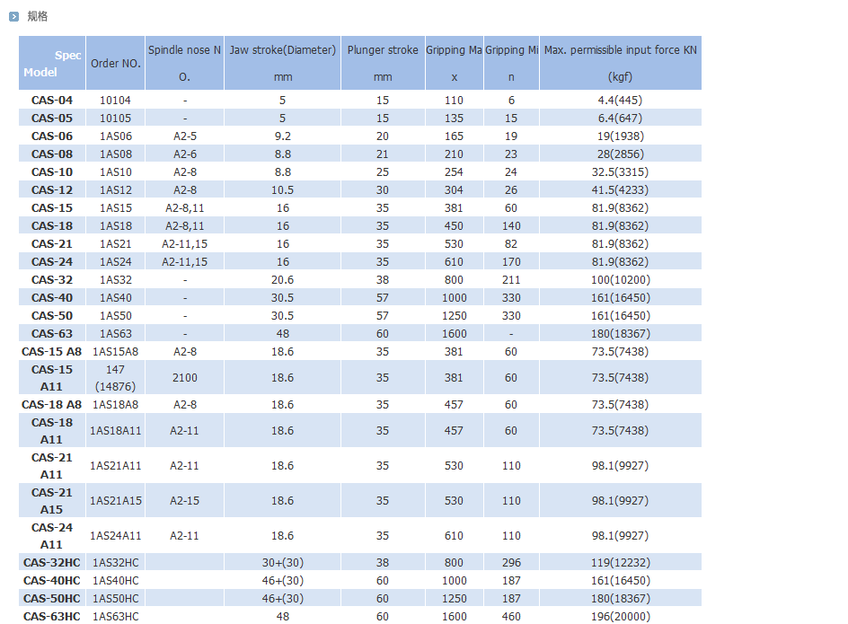
特征• 经济型 : 此型号卡盘没有通孔,可在加工工件无须穿入卡盘的情况下使用,是最经济的型号。• 速度快 : 其最佳设计确保了强大的夹紧力和高速运转的安全性。• 耐磨损 : 此卡盘采用经过特殊热处理的合金钢为材质,通过改善润滑条件,使其具备高精度、高强度和高耐磨的特性。• 兼容性 : 此卡盘具有与大通孔卡盘相同的软爪和硬爪,因此具有兼容性。