我们专注于卡盘的设计、制造和销售,用十几年的专业精神,让进口卡盘连续多年在国内的销售量排名第一位!
此处可以填写有关于我司最新动态的简介,可以跟随内容更新手动更换,也可以写一段可以长期放置的语句。
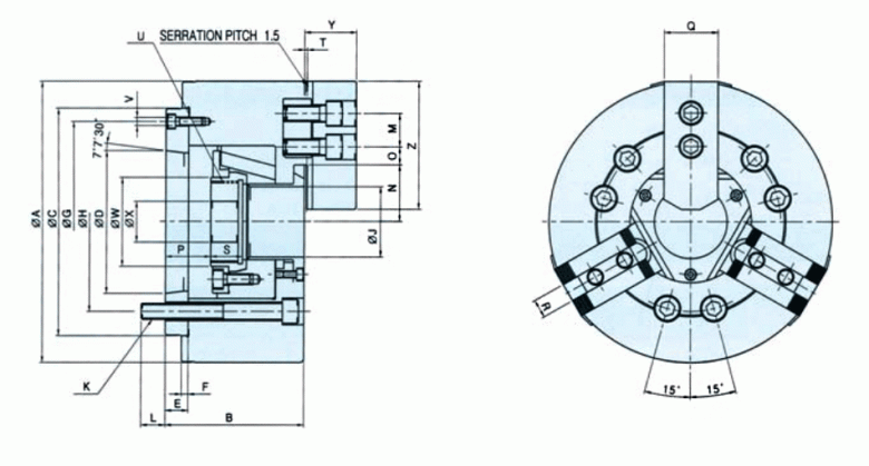
• 性能好、精度高 : 此卡盘与CGHT型卡盘结构相同相同,因此确保其优越的性能和质量,且附件和连接部件具有兼容性。• 换装方便 : 若更换附件可在最短的时间内,达到其运行的精度要求。• 便于安装选择 : 可通过转接法兰与各种不同规格的主轴来拿接,扩大了其使用范围。