我们专注于卡盘的设计、制造和销售,用十几年的专业精神,让进口卡盘连续多年在国内的销售量排名第一位!
此处可以填写有关于我司最新动态的简介,可以跟随内容更新手动更换,也可以写一段可以长期放置的语句。
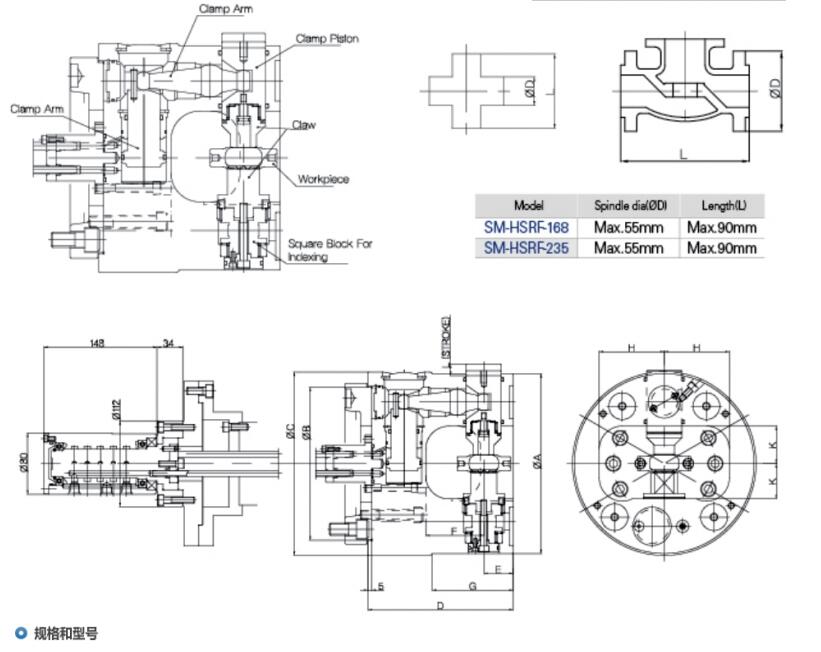
特征 1·一次装夹能完成工件四面或八面加工
2·机床主轴在旋转中能自动分度为90度或45度
3·比起HSR型号,夹紧力在高速旋转中可保持,因此可以高速加工。