我们专注于卡盘的设计、制造和销售,用十几年的专业精神,让进口卡盘连续多年在国内的销售量排名第一位!
此处可以填写有关于我司最新动态的简介,可以跟随内容更新手动更换,也可以写一段可以长期放置的语句。
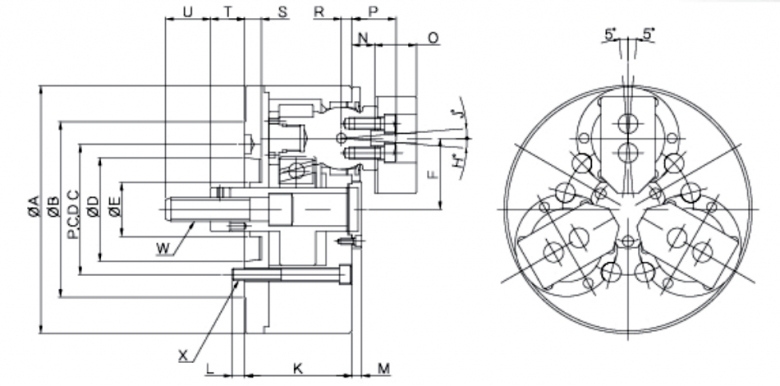
特征 1·用于夹紧锻件 铸件 夹紧力大
2·可以夹紧工件的10度锥面,卡爪可自动左右旋转5度的功能