我们专注于卡盘的设计、制造和销售,用十几年的专业精神,让进口卡盘连续多年在国内的销售量排名第一位!
此处可以填写有关于我司最新动态的简介,可以跟随内容更新手动更换,也可以写一段可以长期放置的语句。
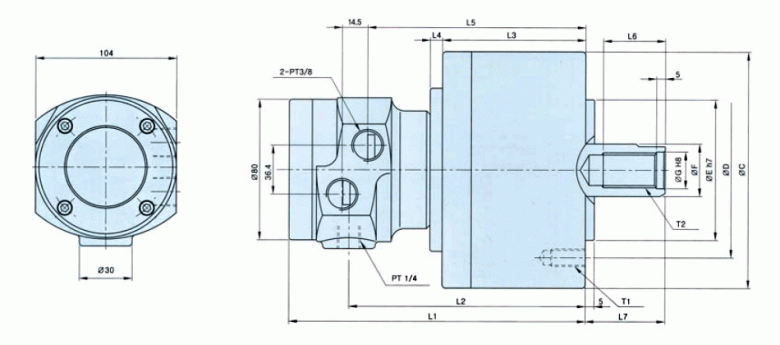
特征• 经济型 : 此产品是一种最经济型的回转油缸,在工件不穿过主轴箱的情况下使用。• 水平与垂直安装均可 : 此型号的回转油缸既可水平安装也可垂直安装,因此,可安装在立式车床上。• 体积小、重量轻 : 此型号的回转油缸采用铝合金铸模的方式生产,因此具有结构简单、体积小、重量轻的特点。• 高速旋转 : 经过动平衡处理的回转油缸在高速旋转的情况下也能确保其安全性。