我们专注于卡盘的设计、制造和销售,用十几年的专业精神,让进口卡盘连续多年在国内的销售量排名第一位!
此处可以填写有关于我司最新动态的简介,可以跟随内容更新手动更换,也可以写一段可以长期放置的语句。
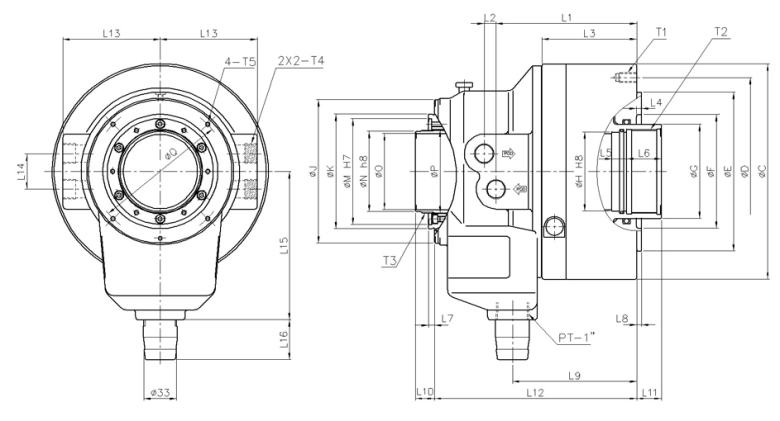
特征:• 保障安全 : 此回转油缸带有单向阀,当断电时,压力仍可保持一段时间,因此确保安全。• 便于检测和维修 : 由于从外部便于操控逆止阀,当回转油缸安装到设备上后仍便于修理和检测。• 防泄漏设计(专利注册:0172805) : 回转油缸主体采取防泄漏设计,完全消除漏的可能性。• 动力强大 : 当回转油缸重量减轻及拉力加大时,仍可保证最高的机械效率和强大的动力。