我们专注于卡盘的设计、制造和销售,用十几年的专业精神,让进口卡盘连续多年在国内的销售量排名第一位!
此处可以填写有关于我司最新动态的简介,可以跟随内容更新手动更换,也可以写一段可以长期放置的语句。
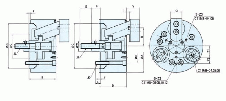
特征:• 加紧平稳 : 当加工工件被拉至基准面进行加紧时,保证加紧牢固,精确有力。• 用途广泛 : 此卡盘可牢固加紧多种工件,如凸缘轴、齿轮、曲柄以及锥形、楔形等工作。