我们专注于卡盘的设计、制造和销售,用十几年的专业精神,让进口卡盘连续多年在国内的销售量排名第一位!
此处可以填写有关于我司最新动态的简介,可以跟随内容更新手动更换,也可以写一段可以长期放置的语句。
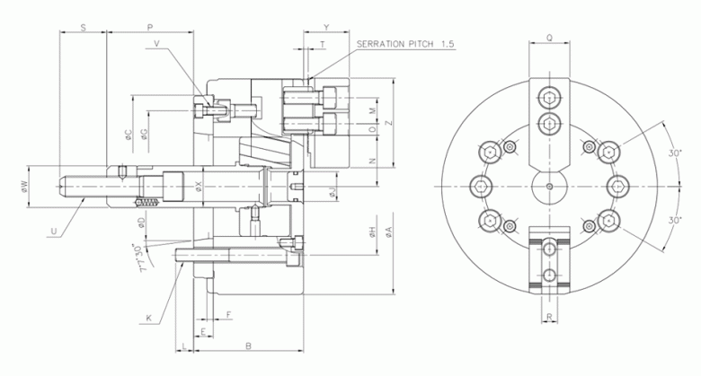
特征:• 性能好、精度高 : 此卡盘与CAS型卡盘结构相同,因此确保其优越的性能和质量,且附件和连接部件具有兼容性。• 直接安装型 : 可直接安装在符合国际标准A型主轴的短锥安装面上。• 便于安装选择 : 可通过连接法兰与各种不同规格的主轴连接,扩大了其使用范围。