我们专注于卡盘的设计、制造和销售,用十几年的专业精神,让进口卡盘连续多年在国内的销售量排名第一位!
此处可以填写有关于我司最新动态的简介,可以跟随内容更新手动更换,也可以写一段可以长期放置的语句。
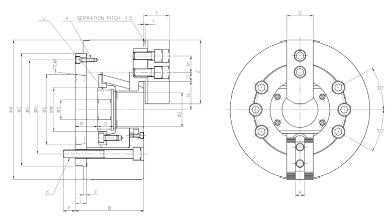
特征:• 性能好、精度高 : CAH型卡盘是在CAH型卡盘上附带转接法兰以实现直接安装,因此其性能、质量与CAH卡盘一致,且配件具有兼容性。• 直接安装型 : 可直接安装在符合国际标准A型主轴的短锥安装面上。• 换装方便 : 若更换附件可在最短的时间,达到其运行的精度要求。• 便于安装选择 : 可通过转接法兰与各?不同规格的主轴连接,扩大了其使用范围。