我们专注于卡盘的设计、制造和销售,用十几年的专业精神,让进口卡盘连续多年在国内的销售量排名第一位!
此处可以填写有关于我司最新动态的简介,可以跟随内容更新手动更换,也可以写一段可以长期放置的语句。
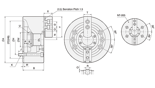
NT200型夾頭採用高級合金鋼材質,所有滑動面經表面硬化及研磨處理,以提高迴轉精度及耐久性,油嘴位於主爪。
主爪:1.5mmx60°鋸齒狀缺口。
安裝:配合件直接安裝並符合 DIN, BS, ISO, ASA, B5-9, A型之主軸標準。