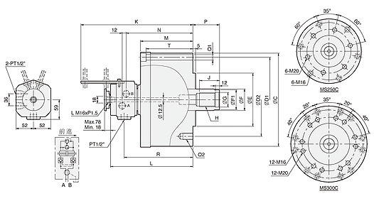
MS250C/MS300C 中實迴轉油壓缸(含逆止閥、檢知裝置)
    发布时间: 2016-10-20 16:32    

貫穿通孔可加裝迴轉接頭以利吹氣、冷卻液等作業。

可從前端或後端安裝。

附安全逆止閥及檢出裝置(近接開關須另購)。


MS250C/MS300C 中實迴轉油壓缸(含逆止閥、檢知裝置)